色多多短视频APP官网入口当前位置:首页 > 产品中心 > 色多多短视频APP官网入口 >
HSG系列色多多短视频APP官网入口

HSG-01系列色多多短视频APP官网入口
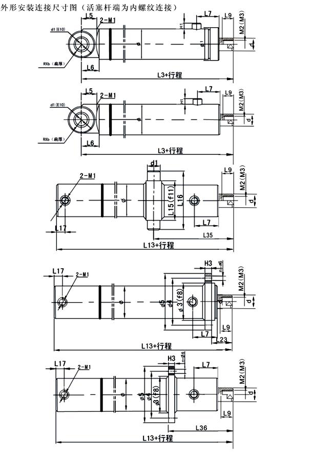
本系列液压缸具有结构简单,工作可靠,拆装方便易维修,可带缓冲装置及连接方式多样等特点。密封件全部采用Parker和MERKER公司产品。适用于工程机械、矿山机械、起重运输机械等行业。
本系列液压缸具有结构简单,工作可靠,拆装方便易维修,可带缓冲装置及连接方式多样等特点。密封件全部采用Parker和MERKER公司产品。适用于工程机械、矿山机械、起重运输机械等行业。
上一篇:高压双变量柱塞泵




